17768353368
17768353368

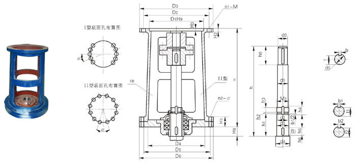
| 機架型號 | H | H1 | H2 | H3 | H4 | 輸入端接口 | 輸出端接口 | |||||||
| D1 | D2 | D3 | n1-M | D4 | D5 | D6 | a° | n2-φ | ||||||
| DXJ30AB | 470 | 40 | 15 | 4 | 45 |
140 200 |
160 230 |
190 260 |
4-M10 6-M12 |
240 | 285 | 315 |
Ⅰ20 Ⅱ30 |
10-φ14 12-φ14 |
| DXJ35A | 524 | 48 | 15 | 5 | 47 | 170 | 200 | 230 |
6-M10 6-M12 |
260 | 320 | 360 |
Ⅰ20 Ⅱ30 |
10-φ14 12-φ14 |
| DXJ40AB | 524 | 48 | 15 | 4 | 47 |
200 230 |
230 260 |
260 290 |
6-M10 6-M12 |
260 | 320 | 360 |
Ⅰ20 Ⅱ30 |
10-φ14 12-φ14 |
| DXJ45A | 524 | 48 | 15 | 5 | 49 | 200 | 230 | 260 |
6-M10 6-M12 |
260 | 320 | 360 |
Ⅰ20 Ⅱ30 |
10-φ14 12-φ14 |
| DXJ55AB | 570 | 60 | 20 |
6 5 |
47 | 270 |
310 305 |
340 |
6-M10 8-M16 |
325 | 400 | 435 | 30 | 12-φ14 |
| DXJ65A | 634 | 68 | 20 |
6 5 |
58 | 316 | 360 | 400 |
8-M12 8-M16 |
350 | 420 | 460 | 30 | 12-φ18 |
| DXJ70AB | 634 | 68 | 20 | 6 | 58 |
316(320) 320 |
360 | 400 |
8-M12 8-M16 |
350 | 420 | 460 | 30 | 12-φ18 |
| DXJ80AB | 678 | 76 | 25 |
6 5 |
70 |
345 360 |
390 410 |
430 460 |
8-M16 8-M20 |
380 | 455 | 495 | 30 | 12-φ18 |
| DXJ90A | 700 | 80 | 25 | 7 | 72 | 400 | 450 | 490 |
12-M16 12-M20 |
430 | 510 | 555 | 30 | 12-φ23 |
| DXJ100AB | 740 | 80 | 25 |
9 5 |
76 |
455(460) 470 |
520 | 580 | 12-M20 | 480 | 560 | 600 | 22.5 | 16-φ23 |
| DXJ110A | 840 | 80 | 30 |
11 6 |
76 | 520 | 590 | 650 | 12-M20 | 560 | 650 | 700 | 22.5 | 16-φ27 |
| DXJ120A | 840 | 80 | 30 |
11 6 |
76 | 520 | 590 | 650 | 12-M20 | 560 | 650 | 700 | 22.5 | 16-φ27 |
| DXJ130AB | 950 | 94 | 30 |
11 9 |
85 | 680 | 800 | 880 | 12-M30 | 720 | 810 | 880 | 18 | 20-φ27 |
| DXJ140A | 950 | 94 | 30 |
11 9 |
85 | 680 | 800 | 880 | 12-M30 | 720 | 810 | 880 | 18 | 20-φ27 |
| DXJ150AB | 950 | 94 | 35 |
14 10 |
85 | 820 | 940 | 1020 | 16-M30 | 840 | 940 | 1020 | 22.5 | 16-φ33 |
| DXJ160AB | 950 | 100 | 35 |
14 10 |
95 | 820 | 940 | 1020 | 16-M30 | 840 | 940 | 1020 | 22.5 | 16-φ33 |
| DXJ180AB | 1050 | 100 | 40 |
14 10 |
115 | 960 | 1080 | 1160 | 20-M30 | 970 | 1080 | 1160 | 18 | 20-φ33 |
| 機架型號 | h(A/B) | 攪拌軸軸端尺寸 |
重量 (kg) |
||||||||||||||||||
| h0 | h1 | h2 | h3 | h4 | h5 | h6 | d0 | d1 | d2 | M1 | d3(h9) | d4 | b | t | t1 | b1 | t2 | b2 | |||
| DXJ30AB | 431/445 | 53 | 103 | 3 | 13 | 22 | 30 | 3 | 30 | 32 | 32.8 | M35×1.5 | 35 | 40 | 8 | 26 | 31 | 6 | 31.5 | 6 | 48 |
| DXJ35A | 490 | 53 | 113 | 3 | 15 | 24 | 40 | 3 | 35 | 42 | 42.8 | M45×1.5 | 45 | 50 | 10 | 30 | 41 | 6 | 41.5 | 6 | 62 |
| DXJ40AB | 479/482 | 69 | 113 | 3 | 15 | 24 | 40 | 3 | 40 | 42 | 42.8 | M45×1.5 | 45 | 50 | 12 | 35 | 41 | 6 | 41.5 | 6 | 62 |
| DXJ45A | 481 | 69 | 113 | 3 | 15 | 28 | 40 | 3 | 45 | 47 | 47.8 | M50×1.5 | 50 | 65 | 14 | 39.5 | 46 | 8 | 46 | 8 | 67 |
| DXJ55AB | 530 | 80 | 118 | 4 | 15 | 27 | 40 | 3 | 55 | 57 | 57 | M60×2 | 60 | 65 | 16 | 49 | 56 | 8 | 56 | 8 | 107 |
| DXJ65A | 590 | 87 | 143 | 4 | 18 | 32 | 50 | 3 | 65 | 71 | 72 | M75×2 | 75 | 80 | 18 | 58 | 69 | 10 | 70 | 10 | 150 |
| DXJ70AB | 590/580 | 87 | 143 | 4 | 18 | 32 | 50 | 3 | 70 | 71 | 72 | M75×2 | 75 | 80 | 20 | 62.5 | 69 | 10 | 70 | 10 | 150 |
| DXJ80AB | 630/590 | 91 | 163 | 4 | 18 | 32 | 60 | 3 | 80 | 81 | 82 | M85×2 | 85 | 90 | 22 | 71 | 79 | 10 | 80 | 10 | 213 |
| DXJ90A | 636 | 125 | 168 | 4 | 20 | 36 | 60 | 3 | 90 | 91 | 92 | M95×2 | 95 | 110 | 25 | 81 | 89 | 12 | 90 | 12 | 276 |
| DXJ100AB | 667/641 | 134 | 178 | 4 | 24 | 42 | 60 | 3 | 100 | 111 | 112 | M115×2 | 115 | 125 | 28 | 90 | 109 | 14 | 109.5 | 14 | 326 |
| DXJ110A | 712 | 155 | 178 | 4 | 24 | 42 | 60 | 3 | 110 | 112 | 112 | M115×2 | 115 | 125 | 28 | 100 | 109 | 14 | 109.5 | 14 | 505 |
| DXJ120A | 712 | 155 | 178 | 4 | 24 | 42 | 60 | 3 | 120 | 122 | 122 | M125×2 | 125 | 140 | 32 | 108 | 119 | 14 | 119.5 | 14 | 5410 |
| DXJ130AB | 815/815 | 197 | 208 | 4 | 28 | 46 | 70 | 3 | 130 | 135 | 137 | M140×2 | 140 | 150 | 32 | 119 | 132 | 14 | 134.5 | 14 | 689 |
| DXJ140A | 815 | 197 | 208 | 4 | 32 | 52 | 70 | 3 | 140 | 145 | 147 | M150×2 | 150 | 160 | 36 | 128 | 142 | 16 | 144 | 16 | 696 |
| DXJ150AB | 根據減速機型號而定 | 210 | 208 | 4 | 32 | 52 | 70 | 3 | 150 | 155 | 156 | M160×3 | 160 | 170 | 36 | 138 | 152 | 16 | 154 | 16 | 708 |
| DXJ160AB | 210 | 227 | 4 | 32 | 52 | 80 | 3 | 160 | 165 | 166 | M170×3 | 170 | 180 | 40 | 147 | 162 | 16 | 164 | 16 | 930 | |
| DXJ180AB | 290 | 242 | 4 | 36 | 58 | 90 | 3 | 180 | 185 | 186 | B190×3 | 190 | 200 | 45 | 165 | 180 | 18 | 182 | 18 | 1240 | |
相關產品
· Related Products